多脉波整流结构

在多脉波整流系统中,常见的结构包括:
- 12脉波整流
- 18脉波整流
- 24脉波整流
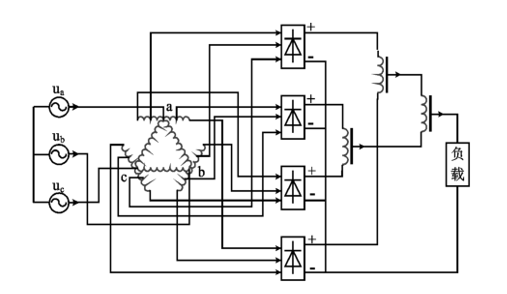
以24脉波整流系统为例,移相自耦变压器会产生多组具有特定相位差的三相电压(通常为 15° 相位差)。这些电压分别供给多个整流桥进行整流。
谐波抵消原理
不同整流桥产生的谐波电流由于相位不同,在变压器一次侧进行磁动势叠加时会发生相互抵消。例如:
- 5次谐波
- 7次谐波
- 11次谐波
- 13次谐波
这些低次谐波在系统内部被显著削弱,最终进入电网的主要是幅值较小的高次谐波(如 23次、25次谐波),从而大幅降低系统的总谐波畸变率。
